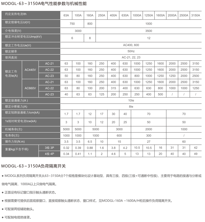
MODGL系列负荷隔离开关

所属分类: 低压断路器


关键词: -电能 创新 智能 节能 高效 可靠



产品详情



默顿

E-mail:3604415177@qq.com

服务热线:400-0275-979

座机电话:027-83383588

电话:18163534878